阿浅来了电视剧全集在线观看日剧,青青青手机在线观看,欧美一级视频在线观看,天堂avtt,天空之上三公尺电影在线观看完整版,开端在线观看免费高清完整版下载,在线精品中文字幕

Hubei Dayu Hanguang Vacuum Electric Co.,Ltd.
CN EN

Embedded Poles

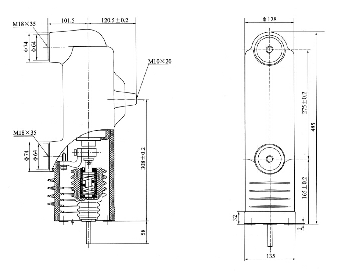
Model:EEP-12/1600-40A

Category:Embedded poles


Product details

HEP2-12 1250-40A 12 1600-40A.jpg

HEP2-12 1250-40A 12 1600-40A-2.jpg

Specifications of Embedded Pole

Main Technical SpecificationUnitSpecification
16001250
Rated voltagekV12
Rated currentA16001250
Rated frequencyHZ50/60
Short time power frequency withstand voltage(1min)kV48
Lightning impulse withstand voltagekV95
Rated short circuit breaking currentkA4031.54031.5
Rated peak withstand currentkA1008010080
Rated short circuit making currentkA1008010080
Rated short time withstand currentkA4031.54031.5
Rated duration of short circuitS4
Rated breaking current of single capacitor bankA400
Rated breaking current of back to back capacitor bankA400
Rated operating sequenceO-0.3s-CO180s-CO
Breaking operations of rated short circuit breaking currentTimes30
Rated mechanical enduranceTimes30000
Closing force due to bellow and atmosphereN140±50
Force required to hold contacts open at full strokeN220±50
Circuit resistance at lower limit of rated contact force≤25
Contacts limit erosionmm3
Gas pressure inside vacuum interrupterPa≤1x10?3
Localize dischargePc≤5

Mechanical Data Required for the Matched Vacuum Switchgear

Main Technical SpecificationUnitSpecification
16001250
Clearance between open contactsmm9±1
Average opening speedm/s1.20±0.2
Average closing speedm/s0.6±0.2
Rated of contact forceN4250±2503150±2004250±2503150±200
Contact bouncing duration at closing operationms≤3
Out of simultaneity of contact closing and openingms≤2
Maximum rebound during openingmm≤2

Prev archive:Embedded Poles

Next archive:Embedded Poles

Relevant information